Célula de Carga MC2B
Compartilhar com: Compartilhar com Facebook Compartilhar com Whatzapp

Célula de Carga MC2B capacidade 500kg a 20t

Célula de Carga MC2B capacidade 500kg a 20T é ideal para aplicações em ensaios de laboratório e tarefas desafiadoras na produção. São células de carga de alta precisão usadas para certificação de medição de força em células de carga ou materiais. Precisão...

Célula de Carga MC2B capacidade 500kg a 20t
Célula de Carga MC2B capacidade 500kg a 20t

Célula de Carga MC2B capacidade 500kg a 20t

Ligar

Célula de Carga MC2B capacidade 500kg a 20T é ideal para aplicações em ensaios de laboratório e tarefas desafiadoras na produção. São células de carga de alta precisão usadas para certificação de medição de força em células de carga ou materiais. Precisão absoluta em ensaios de tração e compressão.

Descrição

Célula de carga MC2B de simetria rotacional e baixo perfil possui múltiplos usos em aplicações em testes de ensaio, máquinas de teste de materiais e tarefas que exigem precisão absoluta. Forças de tração e compressão podem ser medidas com mínimo desvio de linearidade, histerese e repetibilidade. Produzida em aço inoxidável com grau de proteção IP68 e compensação elétrica dos momentos fletores: Momentos fletores como por exemplo, resultante da aplicação de esforços laterais, não impactam nos resultados da medição. O sensor MC2B se adapta as tarefas de medição com a máxima precisão e total confiabilidade

Aplicação

- Uso geral na Medida de Esforços de Tração e Compressão.
- Conversão de Balanças Mecânicas p/ Eletrônicas.
- Máquinas de Teste e Ensaios de Materiais.
- Testes de Potência e Ensaios de Motores.
- Pesagem à Tração e Compressão.

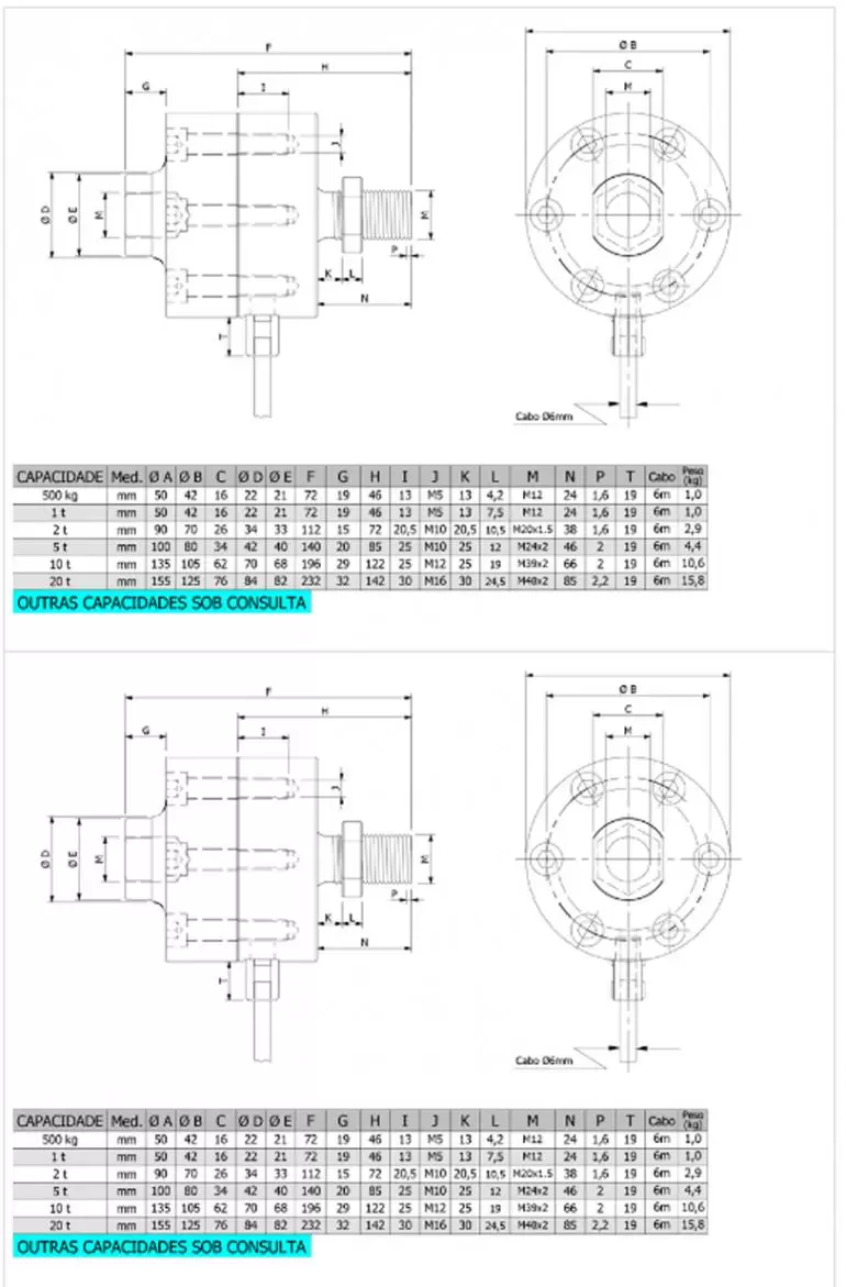
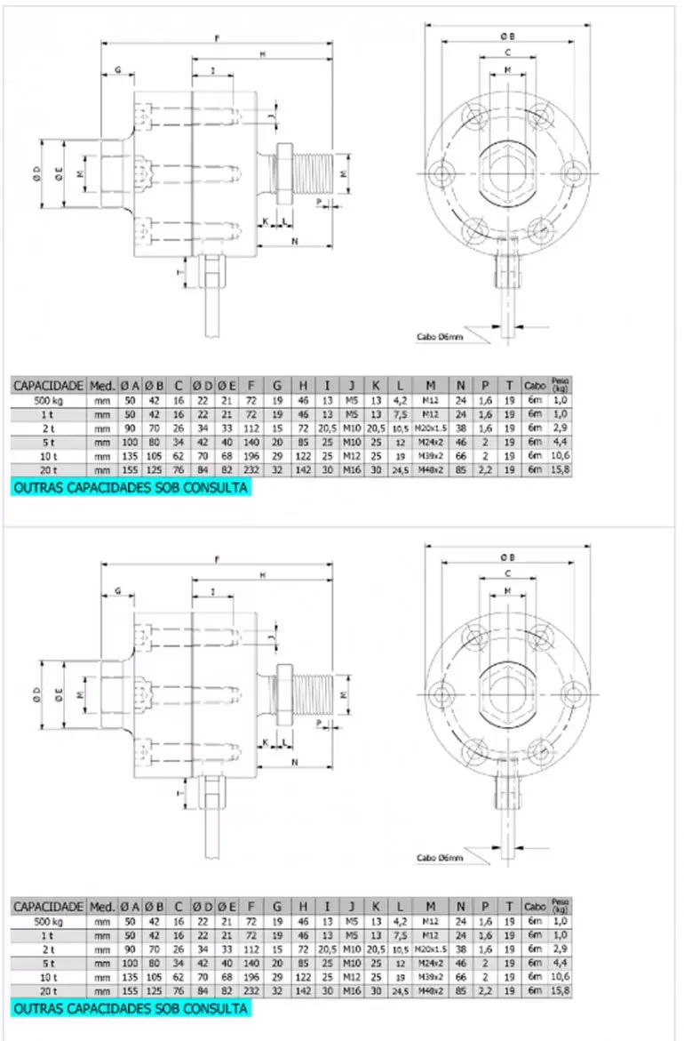
Dimensões

Tabela de capacidades e dimensões do produto:

Dimensões - Célula de Carga MC2B capacidade 500kg a 20t
×

Linha Completa

Célula de Carga CS-N capacidade de 1kg a 50kg
Célula de Carga PL capacidade 50kg a 150kg
Célula de Carga CS capacidade 25kg a 200kg
Célula de Carga CS capacidade 500kg a 10000kg
Célula de Carga CE capacidade 5t
Célula de Carga CI capacidade 150kg a 10000kg
Célula de Carga PR capacidade 2500kg a 50t
Célula de Carga Via Rádio PRR capacidade 500kg a 160t
Célula de Carga TC capacidade 12t a 300t
Célula de Carga PLA capacidade 1kg a 30kg
Célula de Carga CT capacidade 30klb a 50klb
Célula de Carga CA capacidade 50kg a 300kg
Célula de Carga PLB capacidade 300kg a 500kg
Célula de Carga CIL capacidade 250kg a 5000kg
Célula de Carga RTN capacidade 10t
Célula de Carga HB capacidade 10t a 50t
Célula de Carga TCR capacidade 1t a 20t
Célula de Carga MN capacidade 3t a 200t
Célula de Carga CC capacidade 200t a 1000t
Célula de Carga PLA capacidade 50kg a 300kg
Célula de Carga PLI capacidade 200kg a 500kg
Célula de Carga CDI capacidade 500kg a 5000kg
Célula de Carga MCF capacidade 50t
Célula de Carga MCR capacidade 2t a 100t
Célula de Carga PLAB capacidade 100kg a 300kg
Célula de Carga MCV capacidade 1t a 5t
Célula de Carga PIN capacidade 5t a 100t
Célula de Carga PLH capacidade 50kg a 300kg
Célula de Carga CRB capacidade 1t a 5t
Célula de Carga MC capacidade 100kg a 50t
Célula de Carga PLD capacidade 20kg a 200kg
Célula de Carga PI capacidade 3t a 5t
Célula de Carga CC capacidade 10t a 100t
Célula de Carga CRX capacidade 10t a 40t
Célula de Carga MCC capacidade de 100kg a 50t
Célula de Carga RDd capacidade 10t a 40t
Célula de Carga RDa capacidade 10t a 40t

Balanças

Balança Digital Comercial
Balança Eletrônica Digital
Balança Antropométricas
Balança de Plataforma
Balanças de Animais
Balança Tendal
Balança Suspensa Dinamômetro
Balanças Rodoviárias
Balanças Ferroviárias
Balança Agrícola
Célula de Carga
Indicador Digital
Sistema de Pesagem
Balança Transpaleteira
Balança para Empilhadeira
Tensiômetro para cabo
Balanças para Container
Balança de Carregamento
Balanças para Big-Bag
Cancelas Automáticas
Testador De Célula De Carga TC
Acessórios
Impressora e etiquetadora
Software gerenciamento
Balanças Hospitalares
Racks aeroportuários
Serviços